图知网
搜索
首页
热门推荐
图片分类
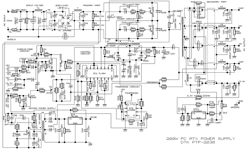
2000w全桥软开关直流稳压电源电路
下载原图
相关图片
全桥式开关稳压电源实用电路
开关电源由以下几个部分组成:一,主电路从交流电网输入,直流输出的全
开关电源由以下几个部分组成:一,主电路从交流电网输入,直流输出的全
全桥电路图
120w电源uc3843应用电路–电路图–电子工程世界
简单实用的开关电源电路图
为你推荐
【王源 嘟嘴】 隔着12个小时的时差 我就敢夸你可爱王源 图片cr
理想one改色 | 贝壳白 悬浮车顶
男生成熟稳重干净的动漫头像图片
职场女性的卡通世界👩💼🎨 探索职场女性的卡通形象,既展现
wow原画500张第一弹
这个亚裔红遍美国,竟然是靠黄段子
精美的流动镶嵌模型
门窗厂家直销铝合金门窗定制重型推拉门三轨带纱门家用移门