图知网
搜索
首页
热门推荐
图片分类
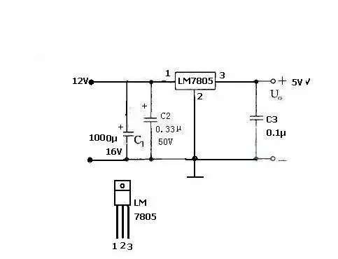
求12v转5v的简单电路
下载原图
相关图片
12v转5v降压芯片12v转33v稳压芯片电路图
12v转5v降压电路图,dc-dc主要是可靠性帮忙分析一下.
用7085设计个直流变压电路图,要求实现12v转5v.
12v,5v直流稳压电路设计问题,高分求助!
mp1584en电源芯片12v转5v会烧芯片
直流12v转5v电路图
为你推荐
有关部队的ppt背景图片
本拉登生前的最后一组照片曝光身边一直带着一把枪
蒙古国的重心为何从乌里雅苏台转移到乌兰巴托?背后是领土的割让
1行手动播种机 / 手推自行式 / 菜园
个性日本城市建筑壁纸街景夜景日式居酒屋料理餐厅烤肉店背景墙纸
【筱翊】《家有大猫》 p3 论如何一天把阿辽淦xu(_哔哩哔哩_bilibili
定了湛江吴川机场3月24日正式启用化州人可以在家门口坐飞机啦
国产航母山东舰高清图片,每一张都是壁纸!