图知网
搜索
首页
热门推荐
图片分类
韩国国立中央博物馆参观访碑.
下载原图
相关图片
【韩国国立中央博物馆】欢迎各位莅临!
【seoul首尔】自由行top 50必去景点! - oppa sharing
韩国国立中央博物馆简介
韩国国立博物馆藏品精选,难得一见!
韩国国立博物馆那些和中国有关的文物
片_百度百科
为你推荐
1毛纸币
这才是麻酱面最好吃的做法,一到嘴里,瞬间味道爆开,太好吃了!
a4方格纸无需排版直接打印完美版
百年华诞书林二小西苑校区童心向党优秀绘画作品展第一期
还记得铠甲勇士怪兽妮娜吗当初都嫌她丑如今清纯可人攀不起
工商银行网银第三方存管确认及首笔转账操作流程
老清迈文化中心
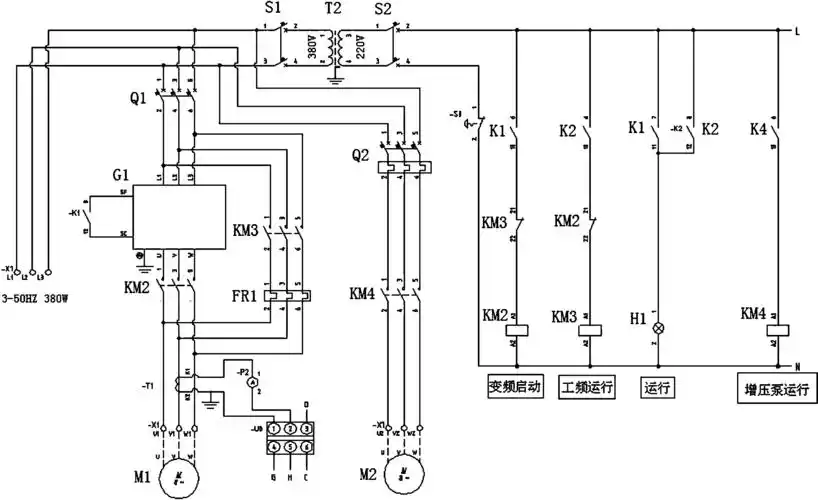
所述控制电路包括变频器,分离机,增压泵,变频启动电路,工频运行电路