图知网
搜索
首页
热门推荐
图片分类
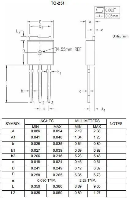
常用场效应管及晶体管参数
下载原图
相关图片
常见场效应管参数表
常用大功率高耐压场效应管参数114种
常用场效应管及晶体管参数
irfb3607pbfto220效应mosfet线上商城现货直拍芯片
常用功率场效应管参数大全
700vn沟道mos管_4n70_增强型场效应管_mos管4n70_宇芯微
为你推荐
尖牙,上,下,左,右共有4颗,包括左右对称的上颌尖牙和下颌尖牙.
2022可润农庄好玩吗里面都包含什么项目附门票价格地址
夏日荷花唯美高清图片桌面壁纸
龙珠 | 白神孙悟空,超级赛亚人之神
长沙县一日游必去的景点有哪些?看看这14个地方,不会错过吧! - 联途
海淀世纪城人大附小学区房新出精装修
心意六合拳拳谱手抄报 手抄报简单又好看关于梅花拳手势的手抄报 手