图知网
搜索
首页
热门推荐
图片分类
2 降压电路5v
下载原图
相关图片
直流电压降压电路图,就是dc-dc的电路图,要求输入220v,输出0~100v
干货阻容降压电路的可靠性改进
dc降压电路的原理分析及耐压提升到500v的办法
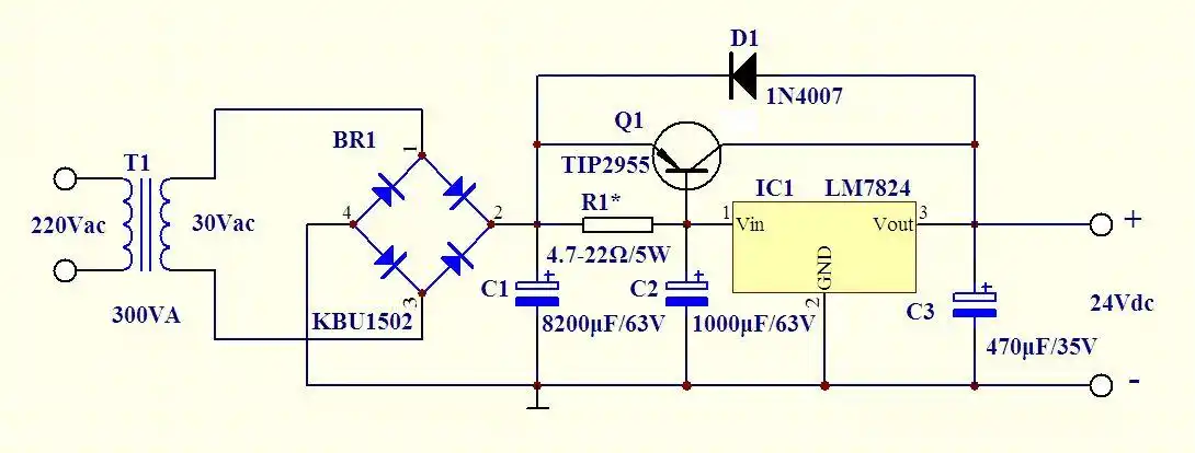
求220v市电输入 变压器降压24v 8a直流稳压电路图
24v降压3.3v芯片,高效率的同步降压dc-dc转换器
10a大电流dc-dc降压芯片,120v降压恒压电路
为你推荐
新款牛仔短裤女
儿童画画图片大全简单漂亮 简单的儿童画图片大全 - 水彩迷
nehera 2021秋冬成衣系列-服装资讯-订订单
有幸与你相爱 余生为你而来
生宣纸加水彩笔晕染 - 抖音
贴贴#超懿 #绘画 #马超 #司马懿 #大帅哥 - 抖音
爆火韩剧《顶楼》表情包合集 | 剧情不够,狗血来凑?
成都名小吃(海岸城店)