图知网
搜索
首页
热门推荐
图片分类
clg836装载机原理图ppt
下载原图
相关图片
金杯灯光电路图
装载机照明系统都有哪些常见故障,如何检修排除
项目5汽车照明与信号系统的检修
大灯电路图(带drl)
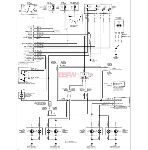
前照灯电路图
这是前大灯的电路图
为你推荐
非主流经典文字古诗词古典水墨画背景桌面壁纸(二)
超拽的霸气冷酷动漫情侣头像
贝多芬1823年画像,由费迪南·乔治·华德梅勒
党史博览革命烈士邹映兰大巴山上的映山红
绿色护眼森林高清桌面壁纸
救火先锋!2023世界上最大的五辆消防车,响应救援快灭火能力强
的孩子们,未来我们都将在奔向各自的幸福和遗憾中老去,有缘自会再见
从兰陵县去平邑县有多远