图知网
搜索
首页
热门推荐
图片分类
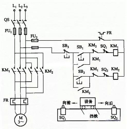
正反转电气原理图
下载原图
相关图片
控制线路接线图正反转
求单相电机带2个电容用2个接触器正反转电路图
三相异步电动机正反转控制电路见附图.
正反转控制电路
行程开关控制电机正反转电路图
电动机正反转控制电路
为你推荐
【吴磊×迪丽热巴】宣传综艺同框互动合集(真人向 不喜勿进)_哔哩哔哩
清纯可爱女生头像
三国原画素材
科比名言壁纸励志,科比壁纸励志_大山谷图库
优质丧女头 病态系伤心女头像真人图片 - qq女生头像 - 520个性网
q版古风绘画.#古风 #古风人物绘画 #古风头像 #可爱卡通 - 抖音
油画壁纸 - 春日壁纸插画 素材 ins 韩系 可爱 简约 手绘 动漫 锁屏
儿童简笔画 #绘画教程 #端午节 - 抖音