图知网
搜索
首页
热门推荐
图片分类
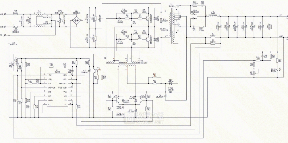
tl494可调电源电路图 (第1页)
下载原图
相关图片
tl494驱动板电路图,tl494图腾驱动电路图_大山谷图库
如何使用tl494去制作一款buck恒流恒压可调电源呢
tl494可调电源电路图 (第1页)
tl494驱动板电路图,tl494图腾驱动电路图_大山谷图库
tl494中文资料-光敏电阻电路图-电子产品世界
车载逆变器前级半桥推挽tl494控制电路
为你推荐
在上海,也能把娜娜小勾养出粗粗的老桩和艳丽的色彩
马超q版头像来咯 78小长假已经结束,小妲己还在回味假期里马超哥哥
女性也顶半边天 游戏业该如何让女性玩家圈粉?
幼儿园生日贺卡 来啦来啦 幼儿园生日贺卡制作
王字图片大全霸气图片
超燃送你一组歼20高清照片
[fgo壁纸分享]库丘林精品美图
">开元之治 /a>",是指 a target="_blank" href="/item/唐朝/53699"