图知网
搜索
首页
热门推荐
图片分类
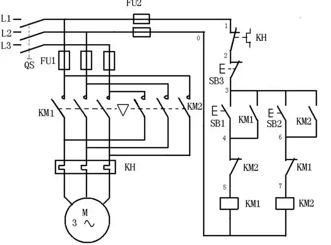
的正反转控制线路这种线路是在按钮互锁的基础上,又增加了接触器互锁
下载原图
相关图片
展开全部 如图就这样,两个接触器做好互锁就好.
380v交流接触器互锁及限位实物接线图
三项电源接触器互锁电路
接触器正反转自锁互锁
km1接触器的常闭触点串联在km2接触器的电路中,按下sb1时km1正常运行
接触器互锁电路图的具体分析 如接触器是怎样互锁的
为你推荐
李小萌晒照庆祝结婚十周年,夫妻俩撒糖太甜蜜,是真爱没错了
t-ara成员居丽拍写真 简约造型演绎都市丽人
运动服套装女_价格_品牌_图片_怎么样 蘑菇街
沿着黄河向东 歌谱简谱网
势不可挡
这次考试倒数第一围裙妈妈通过讲故事让大头儿子明白了一个道理
人物画练习齐白石
雷狮