图知网
搜索
首页
热门推荐
图片分类
信息与通信 > 异或门d触发器 传输门 异或门 与非门 集成电路 版图
下载原图
相关图片
coms异或门电路,求分析,x为什么是那个我懂.l的表达式就不懂了
组合逻辑电路的分析方法和种类
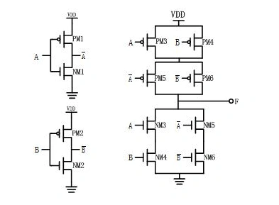
的,下图是一个完整的电路:至此,一个完整的cmos异或门电路设计完成
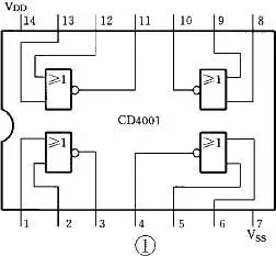
异或门cd4070门电路及其应用-或非门cd4001-四异或门cd4070电|2016-09
cn105375916a_一种改进的异或门逻辑单元电路在审
直接用晶体管而不是逻辑门实现异或门,并解释这个电路是如何工作的.
为你推荐
机智芽diy手工制作动力科技作品 通用技术diy科技小制作小发明手工
味道家vi手册
耶稣基督是除免世罪的天主羔羊让我们停留在#今天的福音(若一29-34)里
闪耀暖暖—旗袍美人
妙面包爸谈三视角 的想法: 特雷杨的手型,也是手
乒乓球夫妻携手亮相!
安徽省怀远第一中学
《赘婿》胡丹丹,饰演的,聂云竹,超美的 - 抖音