图知网
搜索
首页
热门推荐
图片分类
丰田热卖小型mpv改款现踪,你或许在找的车就是它
下载原图
相关图片
yaris l 致享 (丰田 小型车)
小型车的精彩,带你看丰田yaris l 致炫
丰田微型车4万(丰田新款小型车3万元)插图
丰田suv小型车新款上市丰田紧凑型suv车型
丰田小型车致炫怎么样(丰田yaris 图片及价格)(4)
一汽丰田威驰fs竞争力分析 全能小型车
为你推荐
宋民国表情包
龅牙凸嘴怎么改善侧脸? - 知乎
jennie照片
哪吒敖丙画师lofter的id【米白】
儿童便秘卡通图片
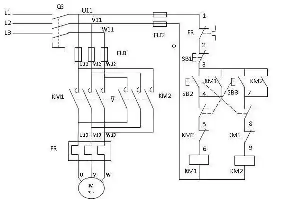
详解二次回路的基本控制原理
建筑设计绘画插图矢量图片视觉效果垂直画幅俄罗斯莫斯科克里姆林宫
cl供应高速钢莫氏锥柄圆柱形球头立铣刀 品质保障