Warning: session_start(): open(/tmp/sess_qm3s88nubrukn5fmlgqsqahecs, O_RDWR) failed: No space left on device (28) in /www/wwwroot/www.tuzhiw.com/config.php on line 13

Warning: session_start(): Failed to read session data: files (path: ) in /www/wwwroot/www.tuzhiw.com/config.php on line 13
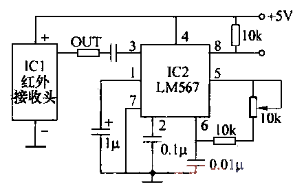
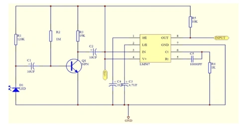
lm567的应用电路 - 图知网

lm567的应用电路

相关图片

为你推荐

刘酥肉(二七万达店)-"位置还是挺好找的,二七万达金街南面入口处.

岁月是一把杀猪刀52岁林忆莲近照曝光幸福肥身形大走样网民好像阿妹

时尚潮流男生头像真人图片帅气迷人的男生气质头像大全

一出十铅弹模具母鸡图片铅弹母鸡模具图纸

lol英雄联盟第一百二十六期瓦洛兰之盾 (泽塔里克)4k原画壁纸

杰森斯坦森的星路历程,所以帅不帅跟头发真的没关系,我们不是不喜欢地

因为女儿,他们全家都搬去了国外,然而作为吴婷丈夫的李海却放不下他的

快速取水阀门园林喷灌草坪井盖电磁阀地埋6寸阀门箱


Warning: file_put_contents(/www/wwwroot/www.tuzhiw.com/cache/image/9da860081b59e17451a435d4085bb97c.html): Failed to open stream: No space left on device in /www/wwwroot/www.tuzhiw.com/config.php on line 196