图知网
搜索
首页
热门推荐
图片分类
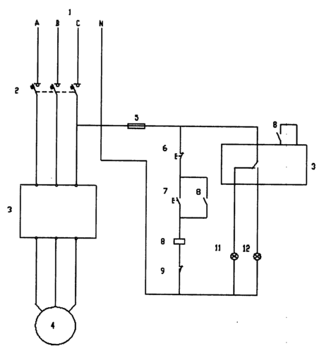
按顺序操作的引风机和鼓风机控制电路
下载原图
相关图片
引风机电动机基本控制电路
10,鼓风机控制电路
按顺序操作的引风机和鼓风机控制电路
按顺序操作的引风机和鼓风机控制电路
cn201025700y_鼓风机盘车电机操作电路失效
桑塔纳轿车鼓风机的控制原理及故障诊断
为你推荐
在合盘中,他的金星落在不同宫位会如何待你
气质女明星赵丽颖
整齐的文档资料是我们宝贵的财富
球形铁粉福州电解铁粉厂家
27岁成影后胡可被聂远抛弃 嫁小三岁老公如今相扶相携羡煞旁人
《黑暗之魂3》套装及武器外观效果展示 套装图鉴
三合一 三色眉粉正品防水防汗眉笔不晕染 一字眉画眉持久不脱色
古稀之年赵充国,刚柔并济平定西羌,重开丝绸之路