图知网
搜索
首页
热门推荐
图片分类
大鲤鱼 花臂 纹身贴 男女防水 纹身贴纸 手臂持久仿真刺青半臂贴
下载原图
相关图片
纹身贴花臂全臂半臂黑色般诺踩龙浪花花臂纹身贴防水男女款贴纸自选
桑雀花臂半臂纹身贴防水仿真刺青社会男女半僧半魔纹身贴贴纸自选3张
1份6张花臂半臂纹身贴防水 持久逼真暗黑ins风手臂鲤鱼仿真刺青
支持国货·现货新品水贴画纹身男士纹身贴水男女汗耐磨花臂半臂仿真
包邮花臂半臂纹身贴防水持久仿真刺青社会男女纹身贴贴纸
花臂纹身贴半臂
为你推荐
希望赫尔佐格的死刑纪录片在中国上演
今天我要上班啦!
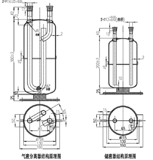
hongyuan空调空气能热泵储液罐储液器cyq019a145vwb04a
亲亲(猴子)_亲亲_猴子表情
壁纸 机器人,战争,熔岩,艺术图片 1920x1080 full hd 2k 高清壁纸
【图】李茂山歌曲《得来不易》赏析 表达珍惜身边友情身边人的情感
7月份长安汽车系列最新落地行情.长安uni-t 作为该系列的 - 抖音
48岁倪琳近况曝光,因参加富豪寿宴被罚,如今每月只领四千元工资