图知网
搜索
首页
热门推荐
图片分类
makita/牧田 六角柄镀钛麻花钻 d-31186 6.0×123mm 1支
下载原图
相关图片
丝攻标准钻头明细表
哈一工钻头锥柄加长麻花钻Φ60225
麻花钻高速钢超长特长加长钻头14 15 16 18 20 25 30 40 各种规格多有
m35含钴全磨制高性能不锈钢专用锥柄麻花钻头锥钻1350mmhssco13mm
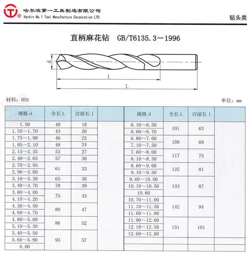
哈一工 钻头 直柄麻花钻 Φ10.
专业生产高品质3mm全磨高速钢m2材质麻花钻头
为你推荐
王源动图背影
标签:相框可爱卡通卡通相框矢量相框卡通卡通相框手绘相框相框装饰
2022款 宝马5系 改款二 530li 行政型 豪华套装外观
厂家批发30cmtype-c usb充电线电子烟蓝牙耳机小音箱等充电线
拜占庭兴盛时期的镶嵌画|教堂
泰山墨玉日常养护要点解读,新手必看
25岁中英佳丽谢佳怡获双料双料冠军,网友:看起来很可爱
1900年是平年还是闰年1900年为啥是平年