图知网
搜索
首页
热门推荐
图片分类
丢骰子表情包
下载原图
相关图片
抖音蘑菇头摇骰子表情包
微信骰子表情包1-6点动态表情包
求微信大骰子的表情
一亿骰子表情包 - 搜狗图片搜索
七点骰子 - 搜狗图片搜索
微信骰子16表情包gif直接保存图片到手里然后微信表
为你推荐
我是一个离婚的女人为了孩子在绝望中坚强地生活
手绘 线稿 500321赵赵云简笔画赵云简笔画图片大全赵云的简笔画q版
无膜孔玉笛子白玉树脂笛初学短笛子成人演奏男女古风乐器入门 有机玉
er图转换关系模型
把那个暖床的女管理叫来_暖床_叫来_那个_管理表情
妇产科门诊搬迁新址院领导现场调研
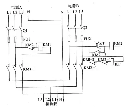
双路电源自动投切供电电路二
华城国际