图知网
搜索
首页
热门推荐
图片分类
遂昌的云雾美,山水美和竹林美
下载原图
相关图片
饰主播竹林山水田园外景快手网红背景墙直播背景布3d立体直播间装
唯美的竹林风景图片
rgb40共享分举报收藏立即下载×关 键 词:山水风景 山水 风景 竹林
美女都喜欢竹子,喜欢竹海 请欣赏最美的竹林图片
原产地青山竹语碧水为歌眉山青神县高质量建设最美竹林生态风景线
直播间山水风景背景布3d立体 主播直播间山水田园竹林室外风景装饰
为你推荐
火影忍者 博人转-九喇嘛 须佐能乎
冬红果(海棠)盆景,世界花卉大观园.
在眼前展开 弯月 史吉鹏 ▼ 史吉鹏 化蝶 他是一个人 人,会被
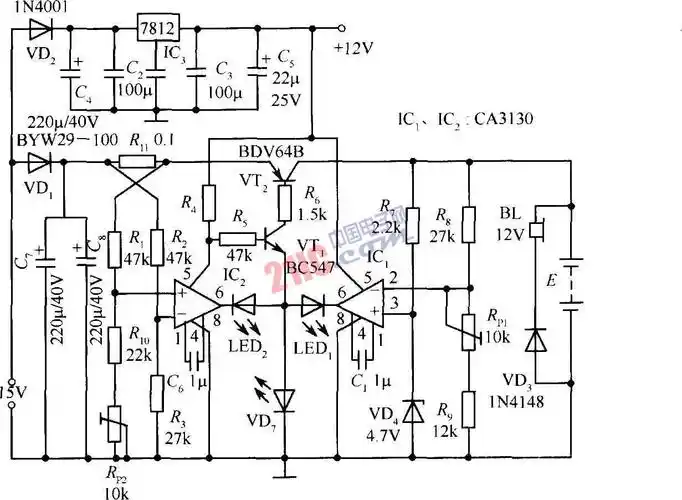
汽车电池充电器电路图
奔跑吧 张嘉元易大千秀腹肌
一个女人抽烟伤感图片
属水的字,大家都知道,有人问康熙字典草字头五行属水的十二画有那些
冰晶幼虎_冰晶古齿虎技能表_冰系宠物 洛克王国,洛克王国宠物大全