图知网
搜索
首页
热门推荐
图片分类
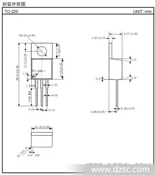
lm7805封装外形图
下载原图
相关图片
lm7805ct positive voltage regulators 2sc5200/2sa1
7805参数datasheetpdf下载
端稳压管(器) 品牌:st 型号:7805 批号:10 封装
毕设成品单片机红外报警器设计
7805中文资料中文版
lm7805引脚图(管脚图)7805是常用的三端稳压器件
为你推荐
本文结合史料分析了西安事变和平解决的历史地位.
盘点那些电视剧中的名场面 男男男
抖音流行壁纸图片个性抖音简约好看的壁纸汇总
也能有性价比超高的亲子酒店位置:江门恩平|国瑞三山泉谷温泉酒店我们
2020驾驶证使用规定,c1驾照常见的问题汇总_手机搜狐网
圆锥角膜早期病变表现为角膜表面异常隆起,角膜地形图可以体现角膜
120多万提了台奔驰s450,还是个白色的,大家觉得咋样?
女装衣服广告词(共22页)download