图知网
搜索
首页
热门推荐
图片分类
娜可露露
下载原图
相关图片
手绘王者荣耀娜可露露
娜可露露
s22赛季娜可露露,最强打法,铭文出装详细攻略
王者荣耀 #娜可露露 #娜可露露前尘镜 #q版 #约稿
娜可露露.
王者q版头像娜可露露
为你推荐
肖战魏无羡##王一博蓝忘机
帅气的小哥哥协助你拍摄这次玫瑰系列背景的视频90玫瑰也是迪奥常
"美少女"郑湫泓:清纯可爱,美丽大方
初音未来 图片屋
又一扶贫乡村剧将播,郭靖宇监制有保障,配角阵容太强有望成爆款
赛车尼禄
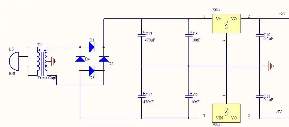
我想用7805,7905,组成正负5v输出,帮我看看这个图对不对,高手指点一下
双汇猪肠头 大肠头20斤猪肥肠厚肉少油猪大肠末红烧肠头 冷冻商用