图知网
搜索
首页
热门推荐
图片分类
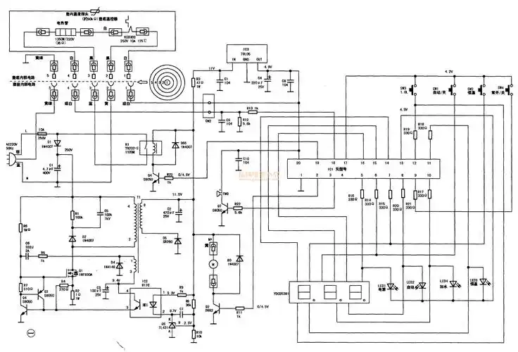
荣事达tb1602型电热水壶原理及检修
下载原图
相关图片
一种防烧焦的电热陶瓷煎药壶的制作方法
电热水壶内部电路原理图及故障维修方法
荣事达yshe12l养生壶不加热故障检修
采用开关电源供电,由壶底电热管,温度探头,温控器及壶座主控电路板
电热水壶内部电路原理图及故障维修方法
中药煎药方法及中药煎药装置及其集成系统与流程
为你推荐
我们相爱吧精彩合辑
北京林业大学学报, 2020, 42(2): 135-148. doi: 10.12171/j.
张大仙晒图又上热搜,照片和真人落差太大,粉丝:网恋奔现现场?
有哪些电脑壁纸是你不想换的
下垂眼的相册-【日本插画师keeggy画集】傀儡童话
火影忍者:鸣人吃包子吃撑了,看到最喜欢的拉面反而哭了!
儿童创意绘画作品外太空
太宰治