图知网
搜索
首页
热门推荐
图片分类
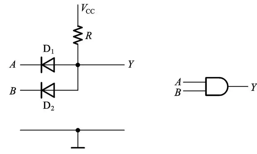
与门电路_或门电路_非门电路_复合逻辑门电路_逻辑门电路原理,环球电
下载原图
相关图片
数字电路 - 门电路 - 期权论坛
应急用简易逻辑门电路.#电子电工 #电子技术 #零基础学电工 - 抖音
二极管与门和或门电路ppt_word文档在线阅读与下载_无忧文档
北京交通大学数字电子技术第2章ppt_word文档在线阅读与下载_无忧文档
数字电路:三极管与门,或门和非门实例操作-kia mos管
一文弄懂与门/或门/非门和组合逻辑电路-昌晖仪表网
为你推荐
竹子卡通图片
今日摘抄|冰心《繁星》156 繁星〈一五六〉 清晓的江头, 白雾濛濛; 是
月季用药
餐厅小放不下餐边柜,那就做卡座餐厅卡座不仅好看,也是一个非常实用的
9张可爱的卡通小老虎虎年卡通简笔画
大概欧洲人骨子里认为,侧滑门起源于拉货的面包车,不太体面吧.
画家刘文西