图知网
搜索
首页
热门推荐
图片分类
筒体体系3
下载原图
相关图片
筒体结构
那么什么是筒体结构呢?
筒体结构
2014注册资产评估师考试《建筑工程评估基础》预习:筒体结构
五,筒体结构
类型1:内筒为钢筋混凝土核心筒结构 外筒巨柱,巨柱与核心筒之间钢梁
为你推荐
傣族儿童服饰简笔画小声说话场合简笔画
你好高美美 _ 哔哩哔哩相簿
连云港专业井式球化退火炉价格
再回首吉他谱姜育恒g调超原版编配视频教学
南京师范学院中北学院
帮帮忙家人们
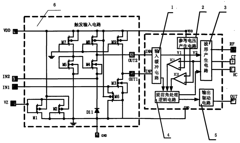
cn101169093a_一种摩托车进角点火器专用集成电路及触发输入电路有效
郑州黄河文化公园炎黄二帝雕像气势磅礴英