图知网
搜索
首页
热门推荐
图片分类
后果很严重
下载原图
相关图片
老板很生气,后果很严重
宝宝很生气后果很严重成语宝宝很生气后果很严重图片
背带熊宝宝生气了后果很严重
后果很严重
宝宝很生气,后果很严重
本人很生气后果很严重小恶魔小清新表情包
为你推荐
陈伟霆"板寸"惊到了!36岁男人气质绝佳,五颜六色发型帅翻天
黑人烫盆栽脏辫阜阳可可西里
2021一句话经典的说说心情句子
酷卡通风格发射火箭与火焰照片
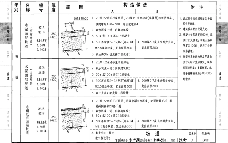
室外坡道图集2a中的数字是什么意思
艺术一刻|2分钟看懂莫奈
八月炎夏汗如浆,夏宫水榭浅纳凉.纵使千古帝名在,今人只闻莲花香.
【曲靖】2017年1月 陆风x7 2016款 2.0t 全景尊贵版 自动档