图知网
搜索
首页
热门推荐
图片分类
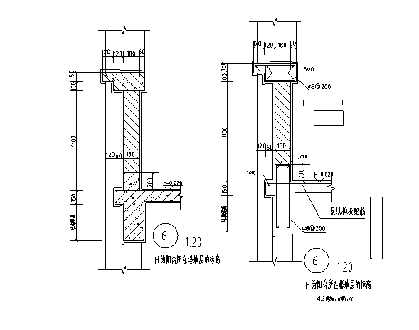
玻璃幕墙构造的阳台防水做法节点
下载原图
相关图片
混凝土阳台构造节点大样施工图cad
半封闭阳台面积计算
阳台剖面cad示意图
[分享]封闭阳台详图资料下载
常用住宅阳台剖面节点构造详图
[资料] 雨蓬. 阳台处构造
为你推荐
海绵城市景观效果不好该如何处理
少林,少林_歌谱简谱_哆来咪123曲谱网
简约时尚8h大c位抗菌真皮沙发打造舒适温馨的家
你最喜欢的百合cp
这位社交媒体影响者和instagram模特通过发布女王的时尚和生活方式
穿白丝配短裙,清纯甜美让人心动,黑人外教却成关注重点_女生_校服_大
500_390gif 动态图 动图
在热带海滩晒太阳的女人图片下载