图知网
搜索
首页
热门推荐
图片分类
6500倍的赔率在中国几乎不可能出现,而这个赔率注定要在世界历史上留
下载原图
相关图片
2022卡塔尔世界杯足球明星收入排行榜年薪
德国71巴西6500倍2014年第20届巴西世界杯,有一位45岁荷兰人用200欧元
值得一提的是本场比赛,在罗纳尔多的注视下,克洛泽16球打破世界杯历史
2014年第20届巴西世界杯,有一位45岁荷兰人用200欧元买了德国7,德国队
曝沙特球员获赠劳斯莱斯,另有6500万奖金,国足羡慕|世界杯|阿根廷
总有一款你需要#农业技术推广 #病虫害防治 #农资人 #农资 - 抖音
为你推荐
皇冠上的明珠:五代后周柴窑显德元年三色釉瓷器欣赏
【图】曝早恋李佳宁图片流出 其与王俊凯吻照是真是假
杨芸晴
其它 5.瀑布 写美篇【导学目标】 1,能正确流利,有感情的背诵古诗.
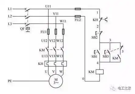
点动,自锁,点动与自锁混合控制电路图
林子闳##林子闳第二名的逆袭
得了骨质疏松是一种怎样的体验
新款蜂窝煤炉子农村烤火炉老式煤炭炉取暖炉家用小号柴火炉烧烤炉