图知网
搜索
首页
热门推荐
图片分类
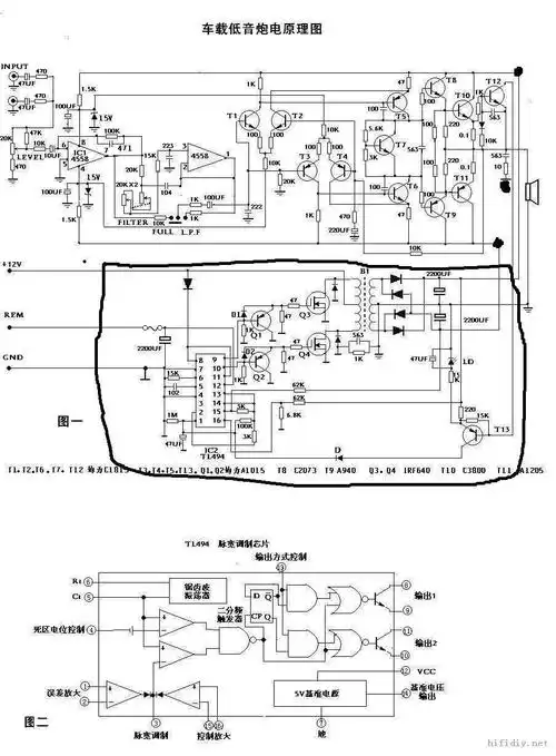
【图】lm3886低音炮电路图 电子管功放 电路图 维库电子市场网
下载原图
相关图片
im3886低音炮功放电路图
车载低音炮功放改电压
lm1875低音炮电路图
>大功率低音炮电路图
krident汽车低音炮电路图
求助我的m20w低音炮电路坏了修理中出现点问题谁能帮我下
为你推荐
一儿一女#全家福卡通头像#一家四口头像愿所有的美好和期待20 - 抖音
htd【古风】gq 歌名:黯月流光
背景纯色素材
杜海涛为爱暴瘦沈梦辰生日卡点送祝福合照引观众跪求瘦身方法
辜负女演员方舒,私自送走亲儿子,他是呼延生晚年最痛恨的儿子插图24
细胞呼吸影响因素及应用.ppt
与《芳华》女主同游被拍,女方长相清纯身材火辣_苗苗_舞蹈_梦想
节约用电儿童画