图知网
搜索
首页
热门推荐
图片分类
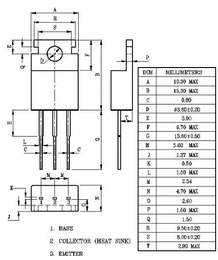
tip42c参数,tip42c引脚图电路图,tip42c
下载原图
相关图片
diy制作求个用tip42ctip41c做的功放电路
关于uln2003加光耦隔离驱动tip41c的问题
五款tip42c应用电路 - tip42c中文资料tip42c引脚图引脚定义及参数
tip42c参数,tip42c引脚图电路图,tip42c
tip42c中文资料tip42c引脚图引脚定义及参数
tip41c/tip42对管cocl分立式功放电路图
为你推荐
宝龙美术馆[哼] 地铁10号线航中路,需要步行1公里多 门票40,需要现场
个性壁纸曲面特效壁纸抖音热门壁纸点赞200w
帅气的意大利宪兵军服
朴彩英的玫瑰暗纹签名壁纸没有人不喜欢吧
大腿内侧靠近屁股的位置最近长出来一个个的扁扁的痘,这是怎.
求卡农半音阶口琴版简谱.(网上好多都有错)
日本大学校花选举结果这次真是良心
快乐8开奖结果是体彩还是福彩 - 抖音