图知网
搜索
首页
热门推荐
图片分类
给实物图画电路图!急
下载原图
相关图片
物理电路知识 画电路图
其它 电子电工实训课程 写美篇实验项目 第一部分 家庭用电和照明电路
这个图的电路图怎么画啊
双庆中学电路图复习专题答案ppt
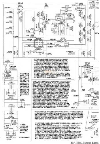
三星la40a65oa1r液晶彩电开关电源电路原理图1
电工电路培训图
为你推荐
p>巩俐(gong li),1965年12月31日出生于中国辽宁省沈阳市,祖籍山东省
[壁纸]樱花 茶色长发 雪景 黑丝袜动漫美女4k壁纸 电脑壁纸-第2张
牛族家谱_野牛
粉色系可爱独角兽图片头像
实验小学五年级学生《抽象画》作品欣赏
帅气动漫男头张起灵人们总想用_男生头像_我要个性网
迷你特工队之超级恐龙力量第二季(2021)动漫 - 全26集剧情介绍 - 南瓜
8款阳台洗衣机柜装修效果分享.