图知网
搜索
首页
热门推荐
图片分类
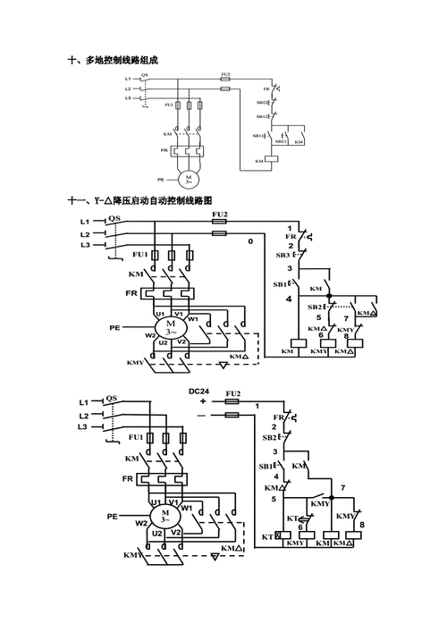
上图是一个电机启动自保控制图,目的是当按钮sa2按下去以后,电机将会
下载原图
相关图片
经济型ascs-j控制图
制程管控常用工具spc(统计过程控制)知识详细介绍
9.1电气控制电路图.doc 4页
x-r控制图
plc在电梯控制系统中的应用
控制图应用步骤ppt
为你推荐
回顾《金星秀》停播5年,那个被金星"捧红"的沈南,如今
15位女明星花式表白刘德华谁最崇拜他谁公开叫他老公
昆凌是天使与魔鬼混合体无误!当妈后发力进军荷李活,晋身时尚红人
酒驾!曝光!引以为戒!
黑吃黑 第一季
创意g字母图片
精美动态【70】【带种子】 - 寒雪的日志 - 网易博客
埃及猫咪插画矢量图片,卡通猫,卡通动物漫画,古埃及神话,埃及图腾