图知网
搜索
首页
热门推荐
图片分类
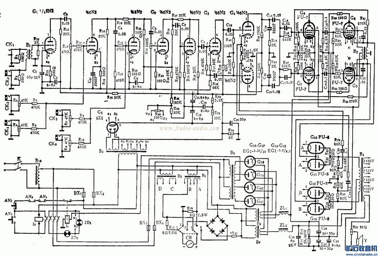
各位老师请指导,这个fu7单端电路可用不?
下载原图
相关图片
百变fu7单端
fu7并联推挽.gif
fu7并联推挽.gif
fu7并联推挽
6j8p-fu7 单端.jpg
求个fu7的推挽电路
为你推荐
钢丝紧固器 304不锈钢花篮螺丝开体花兰螺丝钢丝绳拉紧收紧线器花篮
公园海德上海公园海德欢迎您首页网站公园海德楼盘详情价格户型
抖音图文来了 #恐龙来啦 #霸王龙 #恐龙 #侏罗纪世界 - 抖音
男头 动漫 火影忍者 佩恩 轮回眼 - 堆糖,美图壁纸兴趣社区
1080_2280竖版 竖屏
外卖里面吃出蛆关于外带美食不得不说的几件事
篮球篮在职业篮球场中的图示一张室外风化的篮球场和篮球篮的夜晚
我们一行十六人早八点乘坐这辆大巴车前往兴隆.