图知网
搜索
首页
热门推荐
图片分类
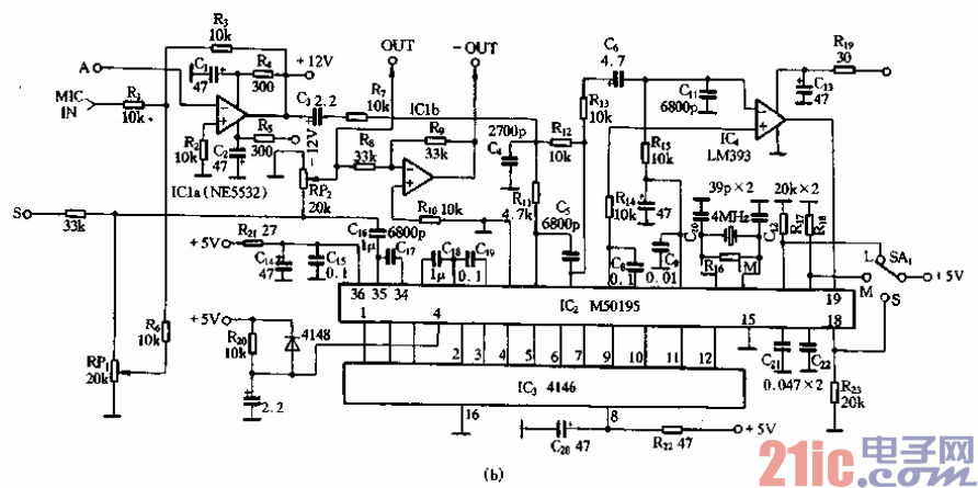
音频混合器 _音频电路_电路图_114ic交易网
下载原图
相关图片
带混响功能的卡拉ok电路
用于卡拉ok的歌声抑制器电路图
简单的数码混响卡拉ok无线话筒电路
in7061n7111n712卡拉ok混响数字集成电路图
多功能数字混响电路b
立体声混响系统
为你推荐
fgo千子村正myroom灵基再临等语音集
秦始皇灭六国的顺序顺口溜,秦始皇翦灭六国为何先从韩国开始
双喜剪纸素材png图
补齐农村贫困人口住房安全短板为全面建成小康社会提供有力支撑
卡通蛋糕美食图片
广州多家单位获配租房 公租房可网上申请
扁花即鳊花鱼,长春鳊,是我国松花湖特产的鱼类,它的体型像武昌鱼一样
金城,副局长赵学峰,社工科科长阮晓祥,梓闻社工服务中心总干事张俊红