图知网
搜索
首页
热门推荐
图片分类
低速轴零件图手绘步骤图文 - 抖音
下载原图
相关图片
机械手绘,质量如图#cad #大学生 #建筑 #手绘 - 抖音
为什么我的眼里常含泪水,因为机械制图不会#大学生 #手绘图 - 抖音
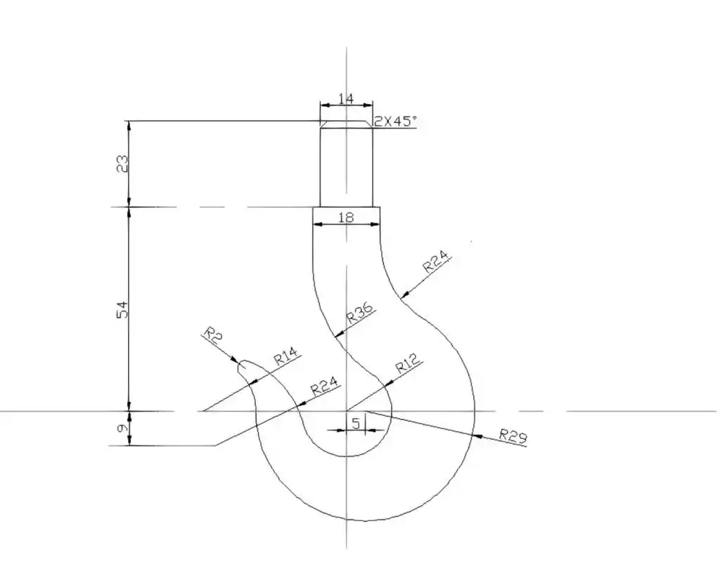
机械制图之吊钩画法 今天来挑战画经典图—吊钩07 左滑有画吊钩的
机械制图这张图的上面部分怎么画?
机械制图比例问题
终极机械制图作业快来改作业
为你推荐
结婚照
太极夜行刀第二段慢动作-王玺雯示范
微信头像女伤感凄凉(第1)三人闺蜜头像凄凉头像(第7)凄凉动漫头像女生
nike,创意壁纸
《《《已更新》》》g1霸天虎资料(狂派霸天虎5楼开
冠珠瓷砖品牌代言人迪丽热巴#xhs刷到了没见过新图@dear-迪丽热巴
算命大全 面相算命 今译:牛鼻,鼻丰满整齐,山根肥大,兰台,廷尉的轮廓
求一张一半佛一半魔的图片