图知网
搜索
首页
热门推荐
图片分类
santiano乐队 - (mtv unplugged / live in lübeck, 2019)全场
下载原图
相关图片
来自音乐混音带的推荐 第二十七辑 来自北海的灵魂指引 santiano乐队
santiano歌曲下载_santiano专辑下载_goflac
santianobrüderimherzen
santianowehmir
cover
santiano
为你推荐
个性男头像成熟稳重图片
鉴定紫砂壶的印章款识(附史上最全名家印章图片)
娃哈哈无汽苏打水350ml*24瓶/12瓶 弱碱性气泡水饮料年货整箱装
弘明远 苯磺酸左旋氨氯地平片 2.5毫克×14片
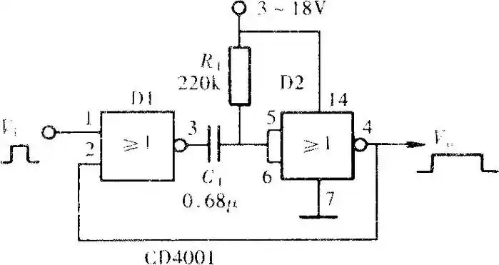
用门电路组成的单稳态触发器
《拳皇》库拉·戴尔蒙多.
的郑州二七区少年篮球培训班排名名单公布少儿训练篮球锻炼思考能力吗
杯测师手册(前言之一)——认识咖啡的感官评鉴