图知网
搜索
首页
热门推荐
图片分类
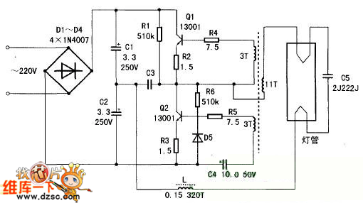
led路灯电源电路图
下载原图
相关图片
求阻容降压电路可带26串3并led灯珠原理图
led灯驱动电路图
高亮度白光led灯电路图
led节能灯的驱动电源电路图
led日光灯管电路原理图
卡德斯led吸顶灯电路工作原理
为你推荐
搭配正装,气场十足,是时尚男士的必备发型选择.🕴️
丞磊的侧颜杀!鼻子真好看!@丞磊#丞磊非过没丑过
很俏皮很甜简单气质的精致唯美女生头像
gucci老爹鞋
胡紫微亮相山东台 回归财经节目为草根股民服务
夏季男生流行发型 潮男必剪的男生短发
精美中国风百家姓图像定制,高端大气上档次,微信qq换上新头像吧
世界地图里各国大小严重失真?专家:数字最直接