图知网
搜索
首页
热门推荐
图片分类
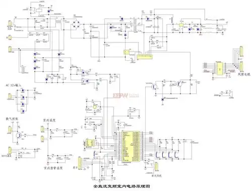
空调柜机室内机电路图
下载原图
相关图片
空调电器配线基础与电路分析
空调电路介绍
空调原理图2
空调电器配线基础与电路分析
空调接线图
2017-2019 东风小康k02空调电路图
为你推荐
韩版水钻优雅发夹盘发发夹子鸭嘴夹头饰大号盘发发饰发卡三齿夹a01
小舞散发图片后面几张绝了
琴怡jk制服御姐英伦校服夏季新款减龄学院风白色短袖衬衣百褶裙制服两
下一页 相关主题 你可能喜欢 经典歌曲大全 流行歌曲大全 电子琴入门
我的世界史蒂夫的头图片大全史蒂夫的头图片一览多图
宇航员贴纸q版太空人行李箱笔记本手账幼儿园儿童水杯防水贴画
我国明清古城墙游之说,寿县,榆林和平遥古城墙
兰花中的"蓝宝石",很少有人见过,香味浓郁