图知网
搜索
首页
热门推荐
图片分类
cn213318232u_一种前后级双重控制的高性能逆变焊机电路有效
下载原图
相关图片
逆变焊机推动电路图请教尤耐克焊机浅析逆变焊机电路结构与工作原理
自激推挽逆变器原理-电子电路图,电子技术资料网站
逆变器电路9
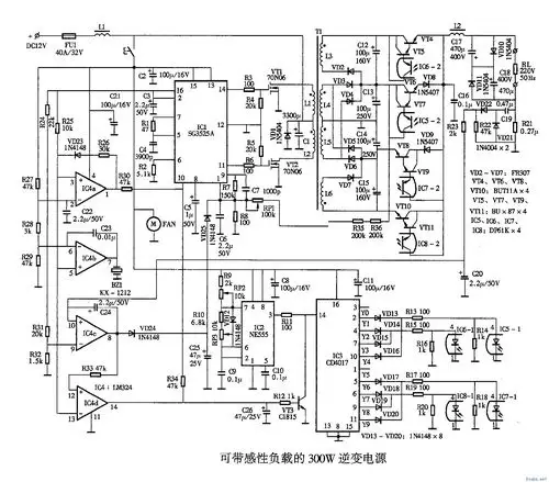
电子电路图纸简介: 可带感性负载的300w逆变电源.gif
逆变器原理图
该电路通过电力 电子开关的导通与关断,来完成逆变的功能.
为你推荐
曾黎稳如泰山王鹤棣猛烈"追击"赵露思只有张颜齐受伤的世界达成了在"
厂家批发苗先锋硫磺软膏20g硫磺膏皮肤外用头皮止痒oem贴牌
熊猫gif动物gif搞笑gif亲爱的你真好gif
科比q版头像素描 - 搜狗图片搜索
小品演员邵峰
楷书练字
药尘
主题网络图