图知网
搜索
首页
热门推荐
图片分类
工具架子整理车间维修工具架多功能物料五金工具货架
下载原图
相关图片
阿三惊人的自制农业机械发明,还蛮简单实用
工具切割机支架1
自制抽屉型电动工具收纳架,附图纸,超实用!
40块钱diy车库工具架
闲来无事,突发奇想做个木质的台钻,车床,佛珠机多用途一体机
出一套diy304不锈钢工具架
为你推荐
张大佛爷陈伟霆炫酷有型写真图片桌面壁纸
净空法师:随喜功德就是对治傲慢,嫉妒的
不锈钢厨房双层置物架桌面微波炉架子两层电饭锅烤箱厨房置物架
蒙牛mengniu成人奶粉
肾结石病人能吃柿子吗肾结石不能吃什么食物
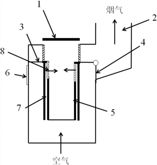
一种无烟燃烧的正烧炊事采暖炉的制作方法
淘宝订单号在哪里看记录的是购物订单信息
general 2048x1373 aston martin car sky sunlight