图知网
搜索
首页
热门推荐
图片分类
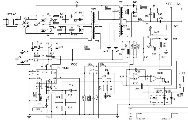
8a-12v充电电路
下载原图
相关图片
电动车充电器原理及维修(下)
菜鸟求简易实用的12v汽车电瓶充电器原理图
12v汽车电池充电器电路原理图
一文把30张电动车充电器电路图工作原理了解的明明白白
铅酸蓄电池充电器原理图
汽车电池充电器电路图
为你推荐
【严浩翔x你/做梦素材】来自可爱香香的视频通话
春,赏一树桃花盛开.
铠甲勇士猎铠:狼帅马帅的速度真快,率先将捣乱的邪灵体狩猎击杀-母婴
【漹三喜报】夹江漹城三小9件消防主题儿童画获奖啦!
vans鞋码怎么选37码vans应该买几码
《如懿传》
周代服饰复原图,有复原依据,更真实可靠,也许周代服真就这样
小学一年级数学上册期末考试试卷【青岛版】.docx 4页