图知网
搜索
首页
热门推荐
图片分类
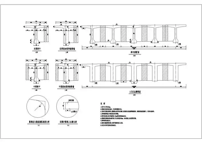
[分享]t梁构造通图资料免费下载
下载原图
相关图片
无忧文档 所有分类 工程科技 交通运输 铁路t梁架设
某大桥40米t型梁结构图
t梁结构图
第十一章 gtr trppt
t梁架设示意图
t梁构造图
为你推荐
小新小爱 蜡笔小新 - 堆糖,美图壁纸兴趣社区
病娇男孩
金硕珍#
作品:欧式雕花练习3
letitbe智能简谱顺其自然
客家冷盘不仅好吃也好看,今天师傅分享客家冷盘的摆盘方法
瑶族长鼓卡通简笔画
在2021年9月9日住院做了鼻窦开放术 鼻中隔偏曲矫正术 鼻内病损切除术