图知网
搜索
首页
热门推荐
图片分类
器控制,用于电动四轮车,高尔夫球车,休闲车,游览车,观光车,电动叉车
下载原图
相关图片
电动叉车,电动牵引车,电动堆高车电池 48v300ah磷酸铁锂电池
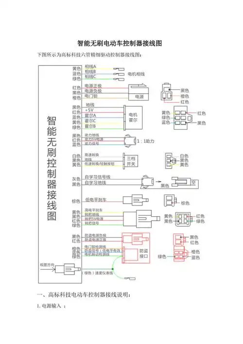
智能无刷电动车控制器接线图.doc
合力叉车电路接线图
慧聪网厂家深圳市奈比尤电子有限公司为您提供电动车大功率控制器,60v
控制器接线图,!
电瓶叉车电路图
为你推荐
有哪些有个性的电脑桌面壁纸
八岐大蛇官方q图
afterschoolnana高清图片第14届思想庆典
看这只小阿比是不是痞帅痞帅的.#图文伙伴计划 #阿比西尼亚猫 - 抖音
在海里都有什么呢
北京同仁堂原料广香片 木香片 木香棍 火锅卤料配料 天然调味香料 增
1 平面直角坐标系 课件12(数学人教版七年级下册)ppt
分享一波超超超超级治愈的图片,真的会有惊喜呦#罗小黑战记 # - 抖音