图知网
搜索
首页
热门推荐
图片分类
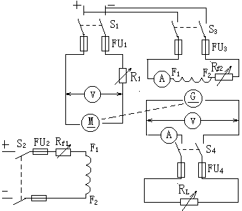
直流他励电动机的启动特性 -解决方案-华强电子网
下载原图
相关图片
我这边有台直流他励电机就4个接线端,怎么接线能实现它的正反转,调速
他励直流电动机的工作特性
他励直流电动机的工作特性
什么是他励电机他励式直流电动机正反转电路
一种可回收剩余励磁能量的他励空心脉冲发电机励磁电路,属于特种电机
8变桨他励直流电机_变桨直流电机
为你推荐
2016年,网红黄恺嘉在一个app上曝光了自己和吴亦凡的亲密照片,可惜
鹿晗头像壁纸
沧桑不过是无泪有伤
《盛势》,小妖龚俊的侧脸很好看,俊俊还是那么帅啊!
魔道祖师动漫蓝忘机头像蓝忘机:忘却机巧心为谁破雅正
国风少儿美术.#少儿美术 #国庆节绘画 #祈年殿#国庆节儿童 - 抖音
新区中大班主题活动~~拜访大树