图知网
搜索
首页
热门推荐
图片分类
哪吒之魔童降世藕饼饼渣哪吒:你得补偿小爷
下载原图
相关图片
藕饼日常肉搏太费力气哪吒嫌敖丙心跳声吵敖丙太难了
【藕饼cp】 哪吒…这样不好吧.
藕饼日常肉搏太费力气哪吒嫌敖丙心跳声吵敖丙太难了
藕饼#哪吒之魔童降世图源微博@puillyanna
藕饼和哪吒
【藕饼中秋48h-9.14 2.
为你推荐
陈数素颜美的认不出皮肤白皙超水嫩感觉可以挤出水来
卡通彩虹画画图片 彩虹的卡通画
情人节艺术字
矢量红色海浪
班级活动宣传海报图片-班级活动宣传海报设计素材-班级活动宣传海报
多肉植物盆栽设计欣赏:十种风格各异的创意作品
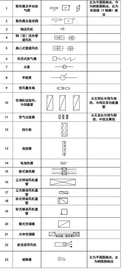
超全cad图例符号画法大全,看过的都收藏了.
中医脏器五行速查表