图知网
搜索
首页
热门推荐
图片分类
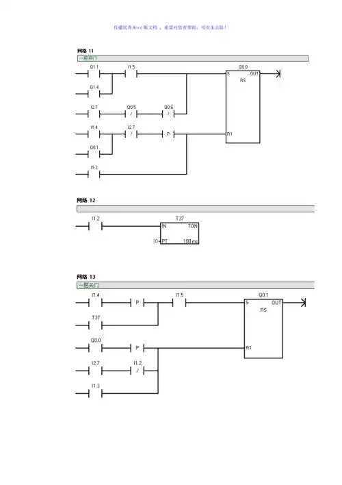
三层plc电梯梯形图.docx 10页
下载原图
相关图片
三菱plc五层电梯梯形图及资料
三层电梯plc控制系统的设计
三层plc电梯梯形图word版
基于西门子s7-200plc的八层电梯控制系统设计
三层plc电梯梯形图word版
三菱plc控制三层电梯的梯形图
为你推荐
依然美如画!科比给女飞人帕克传授经典后仰跳投
国色天香/张秉君
李克勤丨黄凯芹丨最佳损友朋友我当你一世朋友
斗罗:修罗神唐三帅爆了!战斗力无敌,轻松斩杀比比东和千仞雪
杭州西湖风景名胜区
陈继平在题为《笃行新战略锚定高目标加快大转型 推动公司高质量发展
中医养生健康之道展板海报宣传
卡米拉•贝尔