图知网
搜索
首页
热门推荐
图片分类
杂物电梯图纸
下载原图
相关图片
江南嘉捷扶梯图纸
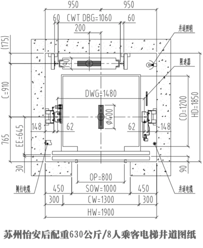
后配重630公斤/8人乘客电梯图纸
原厂江南嘉捷电梯默纳克外呼显示板mctchcbr1sj专用协议全
电梯3100图纸
一种家用电梯的制作方法
别墅家用电梯井道结构图纸
为你推荐
三星galaxy s8蓝光版曲面屏跑马灯壁纸分享!
魔鬼恋人无神悠真
fate小故事:伊莉雅向士郎告白,士郎亲密接触的,却是塞拉和莉兹
北影高颜值毕业照美女如云是真的北影历届美女盘点
黑暗之魂3部分结局达成攻略
来看看娱乐圈的尤物这三个女海王玩的一个比一个花
本人有一电动车出售,九成新,(速派骑)价格2000元
特价蜥蜴活体宠物_宠物蜥蜴活体豹纹守宫亚成体公——橘化萝卜优惠券