图知网
搜索
首页
热门推荐
图片分类
光明女神闪蝶_蝴蝶_兴趣爱好_兴趣爱好其他
下载原图
相关图片
光明女神闪蝶,光明女神闪蝶是濒危物种吗
光明女神蝶|昆虫图鉴百科|魏大勋同款蝴蝶.95 昆 虫 简 - 抖音
光明女神蝶,无与伦比的美
光明女神闪蝶
光明女神闪蝶
光明女神闪蝶 gg001213 / wikimedia commons
为你推荐
原创郑欣宜发文晒照悼念沈殿霞年内将继承六千万遗产暂不打算动用
欧豪2015.3.19电影左耳剧组录制超级访问
长寿花盆栽重瓣花苗带花苞稀有品种进口花植物室内绿植四季开花
超级乖巧的微信头像猪猪高清图片精选,图片,可爱头像-qq个性网
hl-s312w 线阵超低音箱
脚踝皇冠纹身图案推荐图片
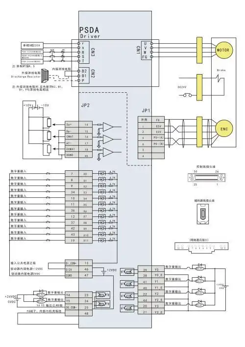
伺服驱动器外部接线图三菱fx2n-1pg与松下madkt1507e伺服驱动器接线图
刀剑乱舞#乱藤四郎 (p站 侵删) 画师:こあ