图知网
搜索
首页
热门推荐
图片分类
热血传奇头像游戏热血传奇高清头像图片
下载原图
相关图片
美杜莎传奇下载-美杜莎传奇手游官网/复古热血/内购破解版/超变版
热血传奇头像
传奇法师头像_第1页
热血新手村重温经典传奇
传奇世界游戏头像图片
穿越传奇大陆 体验热血人生——《胜者为王》等你来战!
为你推荐
新《还珠格格》李佳航版福尔康
河北唐山遵化汤泉行宫温泉度假区规划设计
700_365gif 动态图 动图
7正时图彩图能发个吗?_丰田_普拉多_汽车大师
套装苹果充电器头数据线手机usb插头安卓typec通用苹果版套装充电头
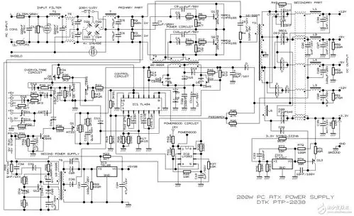
一款高频开关电源电路图
邯郸火车站
苹果6sp有没有必要升ios13