图知网
搜索
首页
热门推荐
图片分类
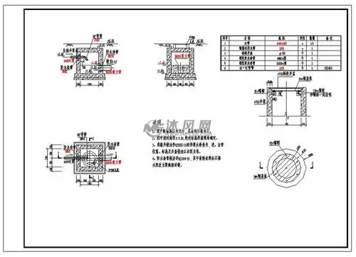
消防车取水口保护范围150m内的建筑附近可不设置室外消防栓,但是消防
下载原图
相关图片
解读消防水池取水口井做法
消防水池取水口
解读消防水池取水口井做法
相同位置,刨面图为室外消防取水井,平面图为取水口兼室外消火栓-服务
蓄水池消防车取水口的设置
圆形消能井
为你推荐
恩仇记》是henry hathaway执导,约翰·韦恩,贝蒂·菲尔德主演的剧情片
仙气飘飘女生头像真人可爱图片清纯女生甜美高清微信头像大全
骨卫士医生集团祝所有的医生们节日快乐!
卡通亮剑头像图片_微信头像图片大全
dota2早期技能图标 见识下v社美工的玩梗水平
变形金刚怎么画怎样才能画好变形金刚
t梁吊装及场内运输示意图
结婚迎亲旗帜横幅拉条幅男方朋友新郎恶搞新娘伴郎兄弟团警告定做