图知网
搜索
首页
热门推荐
图片分类
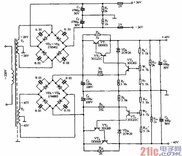
甲类功放电路图
下载原图
相关图片
风之声音乐王子甲类功放电路图.jpg
超甲类功放电源电路
比1969还简单只有三只场效应管的甲类功放
2sk134甲类功率放大器的简介和电路图说明
15w纯甲类功放电路图及原理
超大功率功放机电路图
为你推荐
赵牧阳表示,《冷血动物》是哥哥赵已然非常喜欢的一首歌,他为哥哥唱一
简约耐看的独一无二手绘情侣头像
盗墓笔记 文字
为了我家全宝蓝的dva成长之路
玻璃钢地沟格栅盖板,地沟专用格栅,大庆
晚安励志正能量语录图片精选,晚安心语睡前一句话
可爱的黑色卡哇伊表情脸
【研学塾 日本原版书分享】日本小清新折纸实用书 - 知乎