图知网
搜索
首页
热门推荐
图片分类
304不锈钢沉头内六角螺丝平杯螺钉平头内六角螺栓m2m3m4m5m6m8 m2*4
下载原图
相关图片
9级内六角螺丝m3m4m5m6*4/5/6/8/10/20/30/40/5070/80-10螺栓
129级杯头内六角镀锌圆柱头螺丝m3m4m5m610121620253060
内六角螺丝 圆柱头内六角杯头螺栓gb90.1din912不锈钢304批发定制
m30-m48公制杯头内六角螺丝 12.9级合金钢发黑加硬加长半牙螺栓
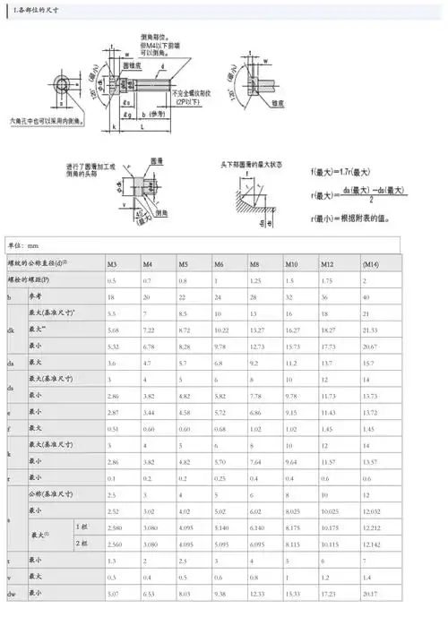
内六角螺栓尺寸表doc
3内六角沉头螺钉/内六角螺丝/沉头螺栓m3~m6
为你推荐
陈美琪 maggie chan的图片
艺人林志颖出车祸的事情成为热议的话题,后来林家人通过林志颖的个人
小牛|科怀·伦纳德|洛杉矶快船队|快船战胜开拓者|明尼苏达森林狼队
动漫壁纸,头像|p站精选|夜深之时,你是流星划向我心
福康堂盲人按摩
每日一狗201827名媛最爱狗小心大吉娃娃
交通安全手绘卡通小学生过马路素材
花儿朵朵向太阳.