图知网
搜索
首页
热门推荐
图片分类
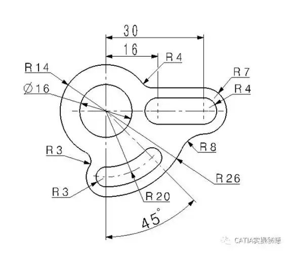
catia练习题答案
下载原图
相关图片
catia 零件设计2
catia练习范例答案
catia草图设计思路讲解
catia看图建模练习题及制图步骤
catia草图练习
catia每日一练05
为你推荐
山竹夏天竹子凉席坐垫一汽解放j6f虎vhvr42米单排厢式轻卡货车座套
日系马尾编发教程分享
躲在鞋子里的可爱小猫咪高清呆萌图片桌面壁纸
娱乐圈皮肤白皙的女星,热巴,李沁,倪妮上榜,图六还被嫌弃太白
手机照片风景合集.#我的摄影日记 #景点打卡 #黄山美景 - 抖音
供应液化液化气lng低温真空真空管管道多层绝热化工管道及配件
自由感女生头像|生而悦己,而非为他人所困
我国的珍稀植物,"金毛狗蕨",长满金色的毛毛,广东山区很多